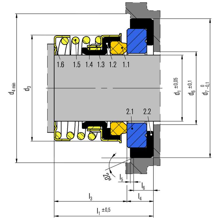
Item. Description
1.1 Seal face
1.2 Bellows
1.3 Collar
1.4 Drive ring
1.5 Spring
1.6 Ring
2.1 Sationary seat
2.2 Gasket

BT-PN

Features

  • Single and double seal
  • For plain shafts
  • Elastomer bellows rotating
  • Unbalanced
  • Independent of direction of rotation

Advantages

  • No torsion on bellow and spring
  • Universal application opportunities
  • Suitable design for high volume seal
  • Individual adaptation to pumps design possible
  • Customized installation length can be achieved

Operating range

Shaft diameter:
d1* = 8 … 40 mm (0.31" … 1.57")
Pressure: p1** = 12 bar (174 PSI),
vacuum … 0.5 bar (7.45 PSI)
Temperature:
t** = -20 °C … +120 °C (-4 °F … +248 °F)
Sliding velocity: vg = 10 m/s (33 ft/s)

* Dependent on medium, size and material

Materials

Seal face:
Carbon graphite antimony impregnated (A),
Carbon graphite resin impregnated (B),Carbon graphite, full carbon (B3),
Silicon carbide (Q1, Q6)
Seat:
Al-Oxide (V, V1), Silicon carbide (Q1, Q6, Q7)
Elastomers:
NBR (P), EPDM (E), FKM (V)
Metal parts: CrNi steel 1.4301 (F), CrNiMo steel 1.4401 (G)

Standards and approvals

  • Various material approvals e.g. WRAS, UBA, ACS, NSF, FDA available (depending on type and material combinations). Please inquire!



Product variants

BT-PNL Items and designations same as for BT-PN,
but with a smaller outer diameter (d3).

Item. Description
1.1 Seal face
1.2 Bellows
1.3 Collar
1.4 Drive ring
1.5 Spring
1.6 Ring
2.1 Sationary seat
2.2 Collar
BT-PN and PNL double seal
Items and designations same as for BT-PN. This is a dual sela in a back to back arrangement with a BT-PN or BT-PNL base. Therefore, this seal combines the advantages of the PN/PNL with the advantage of a double seal.
Individual installation dimensions and lengths can be supplied upon request.
In this configuration, the operating pressure (product side seal) must be limited to max. 2 bar (29 PSI).
For specific application or operation limits, please inquire!

Item. Description
1.1 Seal face
1.2 Bellow
1.3 Collar
1.4 Drive ring
1.5 Spring
2.1, 3.1 Sationary seat
2.2, 3.2 Collar

Similar products

AX05

  • Unbalanced
  • Independent on direction of rotation

BT-A2

  • Unbalanced
  • Single spring
  • Independent of direction of rotation
  • Stationary spring-loaded unit

BT-AR

  • Single and dual seal
  • For plain shafts
  • Elastomer bellows rotating
  • Unbalanced
  • Independent of direction of rotation
  • Available in metric and imperial sizes
Contact

Inquire about individual solutions

We develop and produce customer-specific special and individual solutions for every application.

Inquire now Discover reference projects
Back to the overview